Елемент вертикального повороту регульований ELBJ50H50 (152803)

Виробник: BAKS
Артикул: ELBJ50H50
Ціна за дзвінком

Відводи при прокладанні кабелів.

Матеріал

S - оцинкована за методом Сендзіміра сталь PN-EN 10346:2015-09

Доступні покриття:

F - гаряче оцинкована сталь PN-EN ISO 1461:2023-02

E - нержавіюча сталь

L - фарбування в стандартний колір RAL

Додаткова інформація

Можливість створення регульованих вертикальних вигинів будь-якого внутрішнього
радіуса шляхом складання елементів вигину.

Характеристики товару

Назва атрибуту Значення атрибуту
Системи кабельних трас
Типи елементів елемент
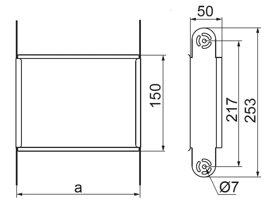
Висота борта H50
Товщина листа 1.0 мм
Властивості матеріалу S - оцинкована сталь за методом Сендзіміра, F - гарячеоцинкована сталь, E - нержавіюча сталь, L - фарбування в стандартний колір RAL
Вага 1шт [кг] 0.30
Кількість [шт] 1
Розмір a [мм] 50