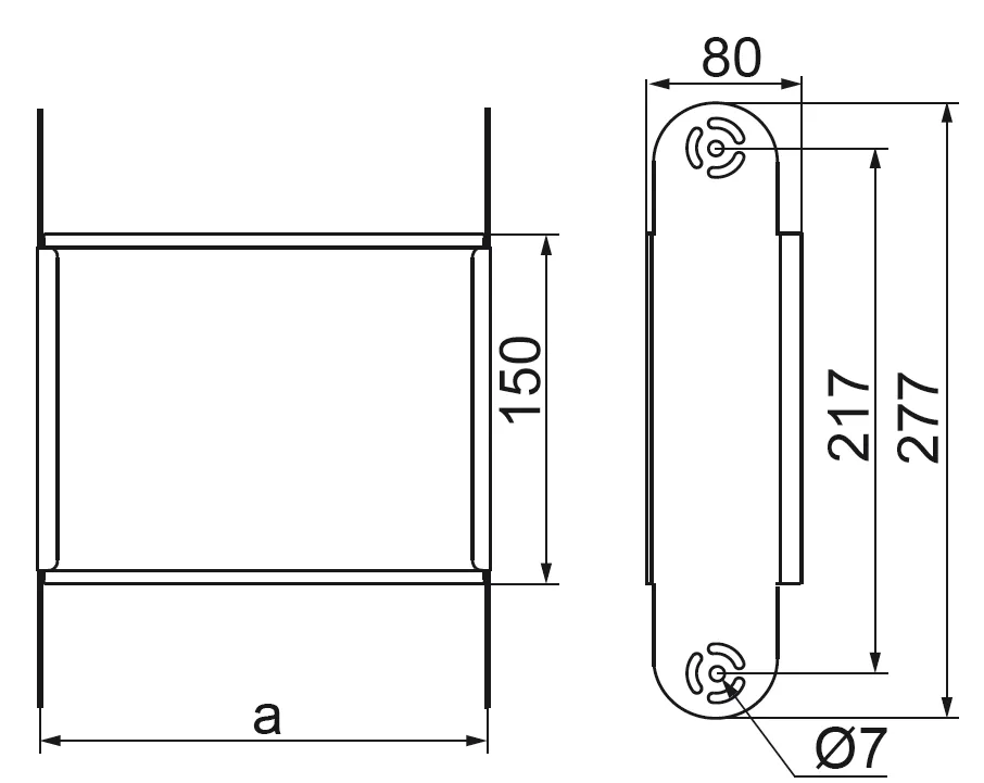
Елемент вертикального повороту регульований ELBP600H80 (187660) Виробник: BAKS Артикул: ELBP600H80 Ціна за дзвінком Кількість: Замовити Індивідуальний список бажань ОК Додати до списку бажань Додати до списку порівняння Повідомити друга Відводи при прокладанні кабелів. Матеріал S - оцинкована за методом Сендзіміра сталь PN-EN 10346:2015-09 Доступні покриття: F - гаряче оцинкована сталь PN-EN ISO 1461:2023-02 E - нержавіюча сталь L - фарбування в стандартний колір RAL Додаткова інформація Можливість створення регульованих вертикальних вигинів будь-якого внутрішньогорадіуса шляхом складання елементів вигину. Характеристики товару Назва атрибуту Значення атрибуту Системи кабельних трас Типи елементів елемент Висота борта H80 Товщина листа 1.5 мм Властивості матеріалу S - оцинкована сталь за методом Сендзіміра, F - гарячеоцинкована сталь, E - нержавіюча сталь, L - фарбування в стандартний колір RAL Вага 1шт [кг] 2.04 Кількість [шт] 1 Розмір a [мм] 600
Відводи при прокладанні кабелів. Матеріал S - оцинкована за методом Сендзіміра сталь PN-EN 10346:2015-09 Доступні покриття: F - гаряче оцинкована сталь PN-EN ISO 1461:2023-02 E - нержавіюча сталь L - фарбування в стандартний колір RAL Додаткова інформація Можливість створення регульованих вертикальних вигинів будь-якого внутрішньогорадіуса шляхом складання елементів вигину.