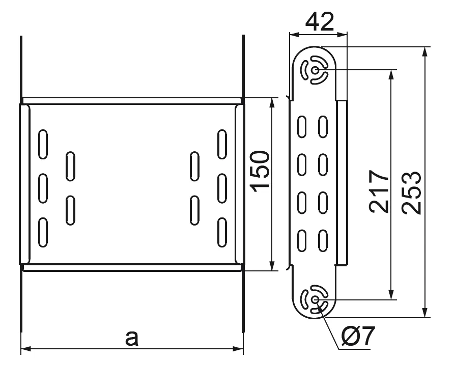
Елемент вертикального повороту регульований ELL300H42 (143330)

Виробник: BAKS
Артикул: ELL300H42
Ціна за дзвінком

Приклад монтажу з перевищенням стандарту для розведення кабелів
- Кабельний лоток до стелі.

 

Монтаж різьбової шпильки до стелі:
- непрямий через підвіску USV/USOV з
болтовим анкером PSROM10
- прямий за допомогою дюбель-анкера
TRSOM.. без використання стрижневих підвісів
USV/USOV

 

Ширина кабельного лотка 400 мм
Товщина кабельного лотка 1,0 мм
Макс. Відстань між опорами 1,5 м
Макс. Безпечне навантаження 20 кг/м

Характеристики товару

Назва атрибуту Значення атрибуту
Характеристики стандартів
Вогнестійкість Вогнестійкий E-90
Системи кабельних трас
Типи елементів елемент
Висота борта H42
Товщина листа 0.7 мм
Вага 1шт [кг] 0.50
Кількість [шт] 1
Розмір a [мм] 300