Кабельрост DSP300H120/6 (430236)

Виробник: BAKS
Артикул: DSP300H120/6
Ціна за дзвінком

Прокладання кабельних трас у залах або приміщеннях з обмеженими опорними конструкціями. Висока міцність лотків дозволяє використовувати опори навіть кожні 10 м.

Матеріал

S - Сталь, оцинкована методом Сендзіміра PN-EN 10346:2015-09

Доступні варіанти оздоблення:

F - гарячеоцинкована сталь PN-EN ISO 1461:2023-02

E - нержавіюча сталь

L - фарбування у стандартний колір RAL

Додаткова інформація

– драбина зі сходами, що підходить для монтажу кабельних затискачів UK/UKO... та UKP...

– варіант E – лише для секцій до 3 м – виконання без тиснення з боків та з менш щільною перфорацією в нижній частині дошки (є можливість поставки замовнику з'єднаних муфтами двох секцій по 3 м, що дають довжину 6 м)

– для великих замовлень можливе виготовлення драбин довжиною від 2 до 12 м та драбин з листового металу

метал товщиною 1,2 або 2,5 мм

– * - товар доступний для замовлення понад 200 м

Характеристики товару

Назва атрибуту Значення атрибуту
Системи кабельних трас
Типи елементів кабельрост
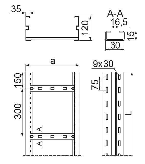
Висота борта H120
Товщина листа 1.5 мм
Властивості матеріалу S - оцинкована сталь за методом Сендзіміра, F - гарячеоцинкована сталь, E - нержавіюча сталь, L - фарбування в стандартний колір RAL
Вага 1м [кг] 5.98 kg
Кількість у коробці [шт/м] 2 / 12 pcs. / m.
Ефективна секція 34,600
Довжина L [мм] 6 000 mm
Ширина a [мм] 300