Кронштейн стельовий WPDH200N (721620)

Виробник: BAKS
Артикул: WPDH200N
Ціна за дзвінком

Підвішування кабельних трас.

Матеріал

F - гарячеоцинкована сталь PN-EN ISO 1461:2023-02

Доступні варіанти оздоблення:

L - фарбування у стандартний колір RAL

Додаткова інформація

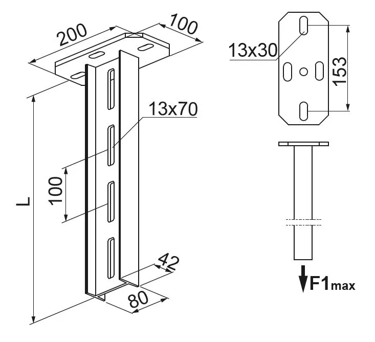
– діаграма нижче розрахована на одностороннє навантаження на кронштейн, для двостороннього навантаження кронштейна значення слід подвоїти (навантаження має бути рівномірним)

– кріплення кронштейна до стелі або конструкції за допомогою анкерних болтів або болтів мін. M10

Характеристики товару

Назва атрибуту Значення атрибуту
Характеристики стандартів
Вогнестійкість Вогнестійкий E-90
Системи кабельних трас
Типи елементів кронштейн
Висота борта H200
Товщина листа 0.0 мм
Властивості матеріалу F - гарячеоцинкована сталь, L - фарбування в стандартний колір RAL
Монтаж Для важких навантажень
Вага 1шт [кг] 2.98
Кількість [шт] 8
Довжина L [мм] 200 mm