Лоток для кабелів KAP200H60/3 (171716)

Виробник: BAKS
Артикул: KAP200H60/3
Ціна за дзвінком

Прокладання кабелю

Матеріал

S - оцинкована за методом Сендзіміра сталь PN-EN 10346:2015-09

Доступні варіанти обробки:

F - гарячеоцинкована сталь PN-EN ISO 1461:2023-02

E - нержавіюча сталь

L - фарбування в стандартний колір RAL

Додаткова інформація

З'єднання кабельних лотків KA... між собою здійснюється тільки за допомогою з'єднувачів (відсутність вирізу у фланці на торці бокового профілю). Для з'єднання використовуйте комплекти гвинтів SGKM6x12 або SGM6x12.

УВАГА!
Лотки з нержавіючої сталі товщиною 1,5 мм не мають верхнього тиснення (вигин під прямим кутом). Кришки не можна закрити за допомогою клацання.

Характеристики товару

Назва атрибуту Значення атрибуту
Системи кабельних трас
Типи елементів лоток
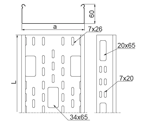
Висота борта H60
Товщина листа 1.5 мм
Властивості матеріалу S - оцинкована сталь за методом Сендзіміра, F - гарячеоцинкована сталь, E - нержавіюча сталь, L - фарбування в стандартний колір RAL
Вага 1м [кг] 3.11 kg
Кількість у коробці [шт/м] 4 / 12 pcs. / m.
Ефективна секція 11,800
Довжина L [мм] 3 000 mm
Ширина a [мм] 200