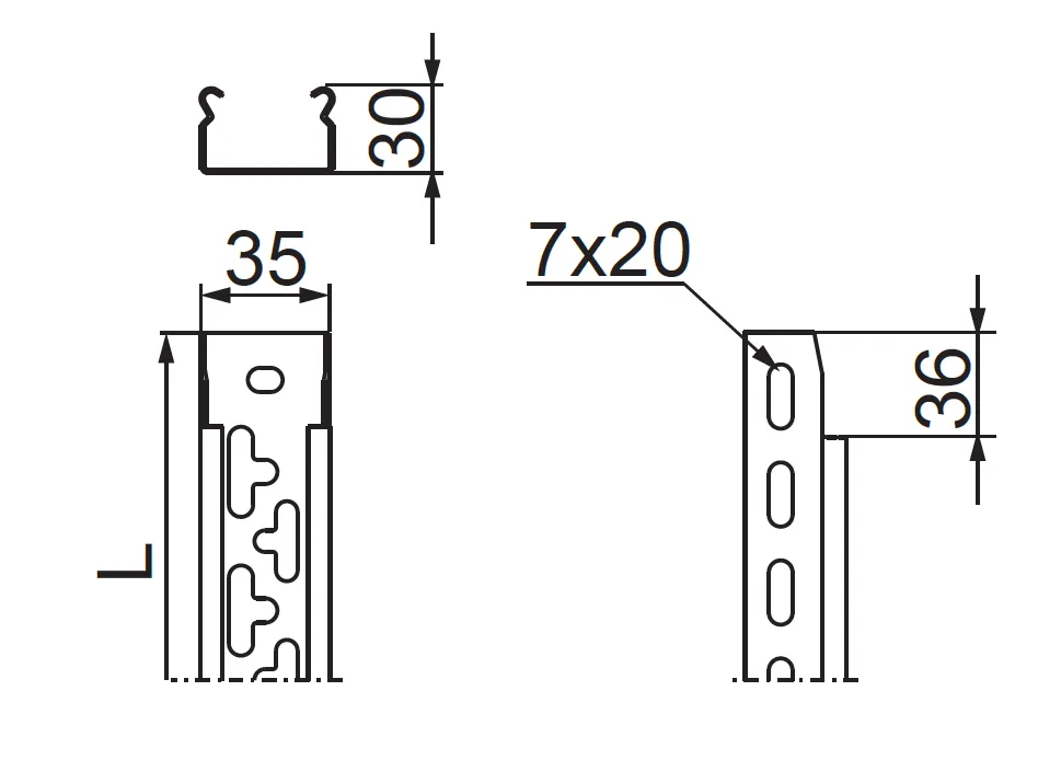
Лоток для кабелів KGJ35H30/3 (130603) Виробник: BAKS Артикул: KGJ35H30/3 Ціна за дзвінком Кількість: Замовити Індивідуальний список бажань ОК Додати до списку бажань Додати до списку порівняння Повідомити друга Приклад монтажу для розподілу кабелів- Кабельний лоток до стелі. Монтаж різьбової шпильки до стелі:TRSOM... бетон-поглиблення 60 мм min. Товщина кабельного лотка 1,5 ммМакс. Крок опор 1,2 мМакс. Безпечне навантаження 10 кг/м Характеристики товару Назва атрибуту Значення атрибуту Характеристики стандартів Вогнестійкість Вогнестійкий E-90 Системи кабельних трас Типи елементів лоток Висота борта H30 Товщина листа 1.0 мм Вага 1м [кг] 0.67 kg Кількість у коробці [шт/м] 4 / 12 pcs. / m. Ефективна секція 850 Довжина L [мм] 3 000 mm Ширина a [мм] 35
Приклад монтажу для розподілу кабелів- Кабельний лоток до стелі. Монтаж різьбової шпильки до стелі:TRSOM... бетон-поглиблення 60 мм min. Товщина кабельного лотка 1,5 ммМакс. Крок опор 1,2 мМакс. Безпечне навантаження 10 кг/м