Лоток для кабелів KOJ50H42/3 (141405)

Виробник: BAKS
Артикул: KOJ50H42/3
Ціна за дзвінком

Прокладка кабелю

Матеріал

S - оцинкована за методом Сендзіміра сталь PN-EN 10346:2015-09

Доступні варіанти обробки:

F - гаряче оцинкована сталь PN-EN ISO 1461:2023-02

E - нержавіюча сталь

L - фарбування в стандартний колір RAL

Додаткова інформація

Можливість з'єднання секцій кабельного лотка між собою шляхом вставляння
однієї в іншу та монтажу без з'єднувачів. Для з'єднання використовуйте комплекти гвинтів SGKM6x10 або SGM6x10.

Характеристики товару

Назва атрибуту Значення атрибуту
Системи кабельних трас
Типи елементів лоток
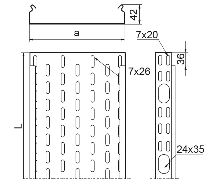
Висота борта H42
Товщина листа 1.0 мм
Властивості матеріалу S - оцинкована сталь за методом Сендзіміра, F - гарячеоцинкована сталь, E - нержавіюча сталь, L - фарбування в стандартний колір RAL
Вага 1м [кг] 0.83 kg
Кількість у коробці [шт/м] 4 / 12 pcs. / m.
Ефективна секція 1,900
Довжина L [мм] 3 000 mm
Ширина a [мм] 50