Лоток для кабелів KSC500H200/6 (290151)

Виробник: BAKS
Артикул: KSC500H200/6
Ціна за дзвінком

Прокладання кабельних трас у залах або приміщеннях з обмеженими опорними конструкціями. Висока міцність лотків дозволяє використовувати опори навіть кожні 12 м.

Матеріал

S - Сталь, оцинкована методом Сендзіміра PN-EN 10346:2015-09

Доступні варіанти оздоблення:

F - гарячеоцинкована сталь PN-EN ISO 1461:2023-02

E - нержавіюча сталь

L - фарбування у стандартний колір RAL

Додаткова інформація

– лотки, пристосовані для кріплення кабельних затискачів UKZ1/UKZO1, UKZ2, UKZP1 та UKZP2

– варіант E – лише для секцій до 3 м – виконання без тиснення з боків та з менш щільною перфорацією в нижній частині дошки (є можливість поставки замовнику з'єднаних муфтами двох секцій по 3 м, що дають довжину 6 м)

– для великих замовлень можливе виготовлення лотків довжиною від 2 до 12 м та лотків з листового металу товщиною 1,2 або 2,5 мм

Примітка
З'єднання лотків здійснюється лише за допомогою з'єднувачів.

Характеристики товару

Назва атрибуту Значення атрибуту
Системи кабельних трас
Типи елементів лоток
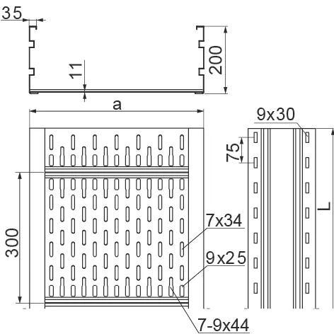
Висота борта H200
Товщина листа 2.0 мм
Властивості матеріалу S - оцинкована сталь за методом Сендзіміра, F - гарячеоцинкована сталь, E - нержавіюча сталь, L - фарбування в стандартний колір RAL
Вага 1м [кг] 14.80 kg
Кількість у коробці [шт/м] 1 / 6 pcs. / m.
Ефективна секція 97,800
Довжина L [мм] 6 000 mm
Ширина a [мм] 500