Лоток для кабелів KST200H100/6N (220221)

Виробник: BAKS
Артикул: KST200H100/6N
Ціна за дзвінком

Прокладання кабелів у залах або на місці за допомогою
обмежена кількість опорних конструкцій.
Висока міцність лотка дозволяє застосовувати
відстань між опорами навіть кожні 8 м.

Матеріал

S - Сталь, оцинкована методом Сендзіміра PN-EN 10346:2015-09

Доступні варіанти оздоблення:

F - гарячеоцинкована сталь PN-EN ISO 1461:2023-02

E - нержавіюча сталь

L - фарбування у стандартний колір RAL

Додаткова інформація

* - Версії понад 200 м доступні на запит

У разі великих замовлень:
- кабельний лоток з перфорованим боковим профілем
- кабельні лотки довжиною від 2 до 12 м
- кабельний лоток: лист товщиною 1,2 та 2,5 мм.
Кабельний лоток, пристосований для встановлення кабельних затискачів: UKZ1/UKZO1
та УКЗ2.

Примітка
З'єднання лотків здійснюється лише за допомогою з'єднувачів.

Характеристики товару

Назва атрибуту Значення атрибуту
Системи кабельних трас
Типи елементів лоток
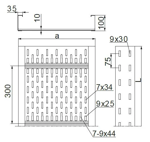
Висота борта H100
Товщина листа 3.0 мм
Властивості матеріалу S - оцинкована сталь за методом Сендзіміра, F - гарячеоцинкована сталь, E - нержавіюча сталь, L - фарбування в стандартний колір RAL
Вага 1м [кг] 9.67 kg
Кількість у коробці [шт/м] 2 / 12 pcs. / m.
Ефективна секція 16,400
Довжина L [мм] 6 000 mm
Ширина a [мм] 200