Редуктор лівий RDLP400/300H100N (493040)

Виробник: BAKS
Артикул: RDLP400/300H100N
Ціна за дзвінком

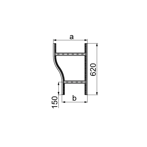
Зміна ширини кабельної траси.

Матеріал

S - Сталь, оцинкована методом Сендзіміра PN-EN 10346:2015-09

Доступні варіанти оздоблення:

F - гарячеоцинкована сталь PN-EN ISO 1461:2023-02

E - нержавіюча сталь

L - фарбування у стандартний колір RAL

Додаткова інформація

– для кріплення використовуйте 4 з’єднувачі LDPH... або LDCH... та 32 комплекти болтів SGKM8x14 або SGM8x14

– для нестандартних замовлень вказуйте розміри a та b

Характеристики товару

Назва атрибуту Значення атрибуту
Системи кабельних трас
Типи елементів редуктор
Висота борта H100
Товщина листа 1.5 мм
Властивості матеріалу S - оцинкована сталь за методом Сендзіміра, F - гарячеоцинкована сталь, E - нержавіюча сталь, L - фарбування в стандартний колір RAL
Вага 1шт [кг] 2.46
Кількість [шт] 1
Ширина a [мм] 400
Розмір b [мм] 300