Редуктор симетричний RSDSC400/300H150 (433042)

Виробник: BAKS
Артикул: RSDSC400/300H150
Ціна за дзвінком

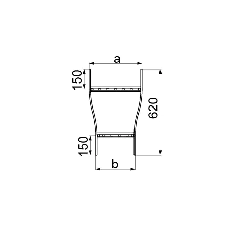
Зміна ширини кабельної траси.

Матеріал

S - Сталь, оцинкована методом Сендзіміра PN-EN 10346:2015-09

Доступні варіанти оздоблення:

F - гарячеоцинкована сталь PN-EN ISO 1461:2023-02

E - нержавіюча сталь

L - фарбування у стандартний колір RAL

Додаткова інформація

– для нестандартних замовлень вказуйте розміри a та b

– для підключення фітинга до драбини необхідно використовувати з'єднувачі фітингів LSSU... та болти SGKM8x16

Характеристики товару

Назва атрибуту Значення атрибуту
Системи кабельних трас
Типи елементів редуктор
Висота борта H150
Товщина листа 2.0 мм
Властивості матеріалу S - оцинкована сталь за методом Сендзіміра, F - гарячеоцинкована сталь, E - нержавіюча сталь, L - фарбування в стандартний колір RAL
Вага 1шт [кг] 4.33
Кількість [шт] 1
Розмір a [мм] 400
Розмір b [мм] 300